Главная > Подшипники> Шариковые> Радиальные>YAR 210-2FW/VA228

YAR 210-2FW/VA228 — Подшипник для корпуса, импортное производство по ISO стандарту, размер 90x50x51 номер основного исполнения .
Производитель: SKF.
Механически обработанный сепаратор из стали или чугуна, центрируемый по телам качения.
Цена от:868 р.
Цена на подшипник зависит от:
Габаритные размеры
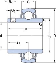
Размеры и геометрические характеристики
Нагрузка и ресурс
Присоединительные размеры
Конструкция и исполнение
Прочие характеристики
Подшипник для корпуса YAR 210-2F (SKF)
Подшипник для корпуса YAR 210-2FW/VA201 (SKF)