Главная > Подшипники> Шариковые> Радиальные>YAR 209-111-2FW/VA201

YAR 209-111-2FW/VA201 — Подшипник для корпуса, импортное производство по ISO стандарту, размер 85x42x49 номер основного исполнения .
Производитель: SKF.
Механически обработанный сепаратор из стали или чугуна, центрируемый по телам качения.
Цена от:860 р.
Цена на подшипник зависит от:
Габаритные размеры
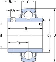
Размеры и геометрические характеристики
Нагрузка и ресурс
Присоединительные размеры
Конструкция и исполнение
Прочие характеристики
Подшипник типа Y со стопорными винтами E2.YAR 209-111-2F (SKF)
Подшипник для корпуса YAR 209-111-2FW/VA228 (SKF)
Подшипник типа Y со стопорными винтами YARAG 209-111 (SKF)