Главная > Подшипники> Шариковые> Радиальные>YAR 208-2FW/VA201

YAR 208-2FW/VA201 — Подшипник для корпуса, импортное производство по ISO стандарту, размер 80x40x49 номер основного исполнения .
Производитель: SKF.
Механически обработанный сепаратор из стали или чугуна, центрируемый по телам качения.
Цена от:786 р.
Цена на подшипник зависит от:
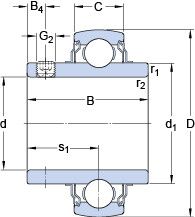
Габаритные размеры
Размеры и геометрические характеристики
Нагрузка и ресурс
Присоединительные размеры
Конструкция и исполнение
Прочие характеристики