Главная > Подшипники> Шариковые> Радиальные>YAR 207-104-2FW/VA201

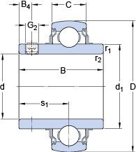
YAR 207-104-2FW/VA201 — Подшипник для корпуса, импортное производство по ISO стандарту, размер 72x31x42 номер основного исполнения .
Производитель: SKF.
Механически обработанный сепаратор из стали или чугуна, центрируемый по телам качения.
Цена от:658 р.
Цена на подшипник зависит от:
Габаритные размеры
Размеры и геометрические характеристики
Нагрузка и ресурс
Присоединительные размеры
Конструкция и исполнение
Прочие характеристики
Подшипник для корпуса YAR 207-104-2F (SKF)
Подшипник для корпуса YAR 207-104-2FW/VA228 (SKF)
Подшипник для корпуса YAR 207-104-2RF (SKF)
Подшипник для корпуса YAR 207-104-2RF/HV (SKF)
Подшипник типа Y со стопорными винтами YARAG 207-104 (SKF)