Главная > Подшипники> Шариковые> Радиальные>YAR 206-2FW/VA201

YAR 206-2FW/VA201 — Подшипник для корпуса, импортное производство по ISO стандарту, размер 62x30x38 номер основного исполнения .
Производитель: SKF.
Механически обработанный сепаратор из стали или чугуна, центрируемый по телам качения.
Цена от:2 506 р.
Цена на подшипник зависит от:
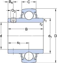
Габаритные размеры
Размеры и геометрические характеристики
Нагрузка и ресурс
Присоединительные размеры
Конструкция и исполнение
Прочие характеристики
Подшипник для корпуса YAR 206-103-2F (SKF)
Подшипник для корпуса YAR 206-103-2FW/VA228 (SKF)
Подшипник для корпуса YAR 206-103-2FW/VA201 (SKF)
Подшипник для корпуса YAR 206-2FW/VA228 (SKF)
Подшипник типа Y со стопорными винтами YARAG 206-103 (SKF)