Главная > Подшипники> Шариковые> Радиальные>YAE55RR

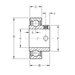
YAE55RR — Радиальный шарикоподшипник, импортное производство по ISO стандарту, размер 55x100x46 номер основного исполнения .
Производитель: TIMKEN.
R = Наружное кольцо с фланцем .
Цена по запросу
Цена на подшипник зависит от:
Габаритные размеры
Размеры и геометрические характеристики
Нагрузка и ресурс
Защита
Присоединительные размеры
Конструкция и исполнение
Другие размеры
Радиальный шарикоподшипник GYA203RR (TIMKEN)
Радиальный шарикоподшипник GYAE55RRB (TIMKEN)
Подшипник для корпуса GYA203RRB (TIMKEN)
Радиальный шарикоподшипник GYAE55RR (TIMKEN)
Радиальный шарикоподшипник YA203RR (TIMKEN)
Радиальный шарикоподшипник YA203RRB (TIMKEN)