Главная > Подшипники> Шариковые> Радиальные>YAE50RR

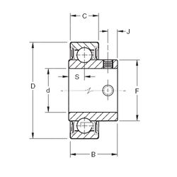
YAE50RR — Радиальный шарикоподшипник, импортное производство по ISO стандарту, размер 50x90x44 номер основного исполнения .
Производитель: TIMKEN.
R = Наружное кольцо с фланцем .
Цена по запросу
Цена на подшипник зависит от:
Габаритные размеры
Размеры и геометрические характеристики
Нагрузка и ресурс
Защита
Присоединительные размеры
Конструкция и исполнение
Другие размеры
Подшипник роликовый однорядный с витыми роликами 5210 К (ГПЗ-3)
Подшипник с витыми роликами радиальный 8-5210 К (ГПЗ-1)
Радиальный шарикоподшипник GYAE50RRB (TIMKEN)
Радиальный шарикоподшипник GYA115RR2 (TIMKEN)
Радиальный шарикоподшипник GYAE50RR (TIMKEN)
Подшипник для корпуса GYA115RRB2 (TIMKEN)