Главная > Подшипники> Шариковые> Радиальные>YAE45RR

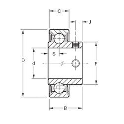
YAE45RR — Радиальный шарикоподшипник, импортное производство по ISO стандарту, размер 45x85x42 номер основного исполнения .
Производитель: TIMKEN.
R = Наружное кольцо с фланцем .
Цена по запросу
Цена на подшипник зависит от:
Габаритные размеры
Размеры и геометрические характеристики
Нагрузка и ресурс
Защита
Присоединительные размеры
Конструкция и исполнение
Другие размеры
Радиальный шарикоподшипник E45KRRB (TIMKEN)
Радиальный шарикоподшипник GE45KPPB4 (TIMKEN)
Радиальный шарикоподшипник GE45KRR (TIMKEN)
Подшипник для корпуса GLE45-KRR-B (INA)
Радиальный шарикоподшипник GYAE45RRB (TIMKEN)
Радиальный шарикоподшипник GYAE45RR (TIMKEN)