Главная > Подшипники> Шариковые> Радиальные>YAE40RRB

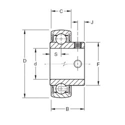
YAE40RRB — Радиальный шарикоподшипник, импортное производство по ISO стандарту, размер 40x80x39 номер основного исполнения .
Производитель: TIMKEN.
B = однокомпонентное ребристое внутреннее кольцо.
Цена по запросу
Цена на подшипник зависит от:
Габаритные размеры
Размеры и геометрические характеристики
Нагрузка и ресурс
Защита
Присоединительные размеры
Конструкция и исполнение
Другие размеры
Подшипник для корпуса GAY40-NPPB (INA, NKE)
Радиальный шарикоподшипник GYAE40RRB (TIMKEN)
Радиальный шарикоподшипник GYAE40RR (TIMKEN)
Радиальный шарикоподшипник YAE40RR (TIMKEN)