Главная > Подшипники> Шариковые> Радиальные>YAE30RRB

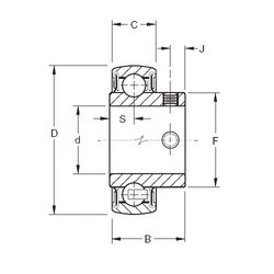
YAE30RRB — Радиальный шарикоподшипник, импортное производство по ISO стандарту, размер 30x62x32 номер основного исполнения .
Производитель: TIMKEN.
B = однокомпонентное ребристое внутреннее кольцо.
Цена по запросу
Цена на подшипник зависит от:
Габаритные размеры
Размеры и геометрические характеристики
Нагрузка и ресурс
Защита
Присоединительные размеры
Конструкция и исполнение
Другие размеры
Подшипник шариковый радиально-упорный сдвоенный 436206
Подшипник шариковый радиальный спаренный 190206 Р (ГПЗ-3)
Подшипник шариковый радиальный 65-190206 Р (ГПЗ-3)
Подшипник шариковый радиально-упорный спаренный 2-236206 Е5 (ГПЗ-3)
Подшипник шариковый радиально-упорный сдвоенный, наружный кольца обращены друг к другу широкими торцами 2-236206 ЛУ (ГПЗ-3)
Подшипник шариковый радиально-упорный сдвоенный, наружный кольца обращены друг к другу широкими торцами 2-236206 Е