Главная > Подшипники> Шариковые> Радиальные>YAE25RR

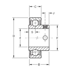
YAE25RR — Радиальный шарикоподшипник, импортное производство по ISO стандарту, размер 25x52x28 номер основного исполнения .
Производитель: TIMKEN.
R = Наружное кольцо с фланцем .
Цена по запросу
Цена на подшипник зависит от:
Габаритные размеры
Размеры и геометрические характеристики
Нагрузка и ресурс
Защита
Присоединительные размеры
Конструкция и исполнение
Другие размеры
Подшипник шарнирный 2ШЛТ25
Подшипник для корпуса GSH25-2RSR-B (INA)
Радиальный шарикоподшипник GYA100RRB (TIMKEN)
Подшипник для корпуса GYAE25RRB (TIMKEN)
Радиальный шарикоподшипник GYA100RR (TIMKEN)
Радиальный шарикоподшипник GYAE25RR (TIMKEN)