Главная > Подшипники> Шариковые> Радиальные>YAE17RR

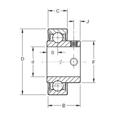
YAE17RR — Радиальный шарикоподшипник, импортное производство по ISO стандарту, размер 17x40x23 номер основного исполнения .
Производитель: TIMKEN.
R = Наружное кольцо с фланцем .
Цена по запросу
Цена на подшипник зависит от:
Габаритные размеры
Размеры и геометрические характеристики
Нагрузка и ресурс
Защита
Присоединительные размеры
Конструкция и исполнение
Другие размеры
Подшипник для корпуса GYAE17RRB (TIMKEN)
Радиальный шарикоподшипник GYAE17RR (TIMKEN)
Радиальный шарикоподшипник YAE17RRB (TIMKEN)