Главная > Подшипники> Шариковые> Радиальные>YA200RR

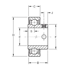
YA200RR — Радиальный шарикоподшипник, импортное производство по ISO стандарту, размер 50x100x46 номер основного исполнения .
Производитель: TIMKEN.
R = Наружное кольцо с фланцем .
Цена по запросу
Цена на подшипник зависит от:
Габаритные размеры
Размеры и геометрические характеристики
Нагрузка и ресурс
Защита
Присоединительные размеры
Конструкция и исполнение
Другие размеры
Радиальный шарикоподшипник GYA200RRB (TIMKEN)
Радиальный шарикоподшипник GYA200RR (TIMKEN)
Радиальный шарикоподшипник YA200RRB (TIMKEN)