Главная > Подшипники> Шариковые> Радиальные>YA115RR

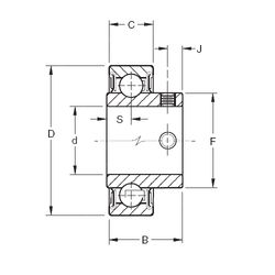
YA115RR — Радиальный шарикоподшипник, импортное производство по ISO стандарту, размер 49x90x44 номер основного исполнения .
Производитель: TIMKEN.
R = Наружное кольцо с фланцем .
Цена по запросу
Цена на подшипник зависит от:
Габаритные размеры
Размеры и геометрические характеристики
Нагрузка и ресурс
Защита
Присоединительные размеры
Конструкция и исполнение
Другие размеры
Радиальный шарикоподшипник GYA115RR (TIMKEN)
Подшипник для корпуса GYA115RRB (TIMKEN)
Радиальный шарикоподшипник YA115RRB (TIMKEN)