Главная > Подшипники> Шариковые> Радиальные>YA112RR

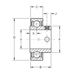
YA112RR — Радиальный шарикоподшипник, импортное производство по ISO стандарту, размер 44x85x42 номер основного исполнения .
Производитель: TIMKEN.
R = Наружное кольцо с фланцем .
Цена по запросу
Цена на подшипник зависит от:
Габаритные размеры
Размеры и геометрические характеристики
Нагрузка и ресурс
Защита
Присоединительные размеры
Конструкция и исполнение
Другие размеры
Радиальный шарикоподшипник 1112KRRB (TIMKEN)
Радиальный шарикоподшипник 1112KR (TIMKEN)
Подшипник для корпуса 1112KLL (TIMKEN)
Радиальный шарикоподшипник 1112KLB (TIMKEN)
Радиальный шарикоподшипник 1112KL (TIMKEN)
Радиальный шарикоподшипник 1112KRR (TIMKEN)