Главная > Подшипники> Шариковые> Радиальные>YA110RR

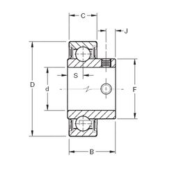
YA110RR — Радиальный шарикоподшипник, импортное производство по ISO стандарту, размер 41x85x42 номер основного исполнения .
Производитель: TIMKEN.
R = Наружное кольцо с фланцем .
Цена по запросу
Цена на подшипник зависит от:
Габаритные размеры
Размеры и геометрические характеристики
Нагрузка и ресурс
Защита
Присоединительные размеры
Конструкция и исполнение
Другие размеры
Радиальный шарикоподшипник 1110KLLB (TIMKEN)
Радиальный шарикоподшипник 1110KLL (TIMKEN)
Радиальный шарикоподшипник 1110KL (TIMKEN)
Радиальный шарикоподшипник 1110KRR (TIMKEN)
Радиальный шарикоподшипник 1110KRRB (TIMKEN)
Подшипник для корпуса G1110KRR (TIMKEN)