Главная > Подшипники> Шариковые> Радиальные>YA108RRB

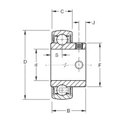
YA108RRB — Радиальный шарикоподшипник, импортное производство по ISO стандарту, размер 38x80x39 номер основного исполнения .
Производитель: TIMKEN.
B = однокомпонентное ребристое внутреннее кольцо.
Цена по запросу
Цена на подшипник зависит от:
Габаритные размеры
Размеры и геометрические характеристики
Нагрузка и ресурс
Защита
Присоединительные размеры
Конструкция и исполнение
Другие размеры
Подшипник шариковый закрепляемый GAY108-NPP-B-AS2/V (INA)
Радиальный шарикоподшипник GYA108RR (TIMKEN)
Подшипник для корпуса GYA108RRB (TIMKEN)
Радиальный шарикоподшипник YA108RR (TIMKEN)