Главная > Подшипники> Шариковые> Радиальные>YA106RR

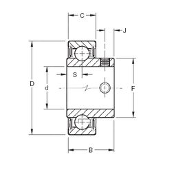
YA106RR — Радиальный шарикоподшипник, импортное производство по ISO стандарту, размер 34x72x36 номер основного исполнения .
Производитель: TIMKEN.
R = Наружное кольцо с фланцем .
Цена по запросу
Цена на подшипник зависит от:
Габаритные размеры
Размеры и геометрические характеристики
Нагрузка и ресурс
Защита
Присоединительные размеры
Конструкция и исполнение
Другие размеры
Подшипник для корпуса GYA106RRB (TIMKEN)
Радиальный шарикоподшипник GYA106RR (TIMKEN)
Радиальный шарикоподшипник YA106RRB (TIMKEN)