Главная > Подшипники> Шариковые> Радиальные>YA014RR

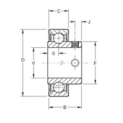
YA014RR — Радиальный шарикоподшипник, импортное производство по ISO стандарту, размер 22x52x28 номер основного исполнения .
Производитель: TIMKEN.
R = Наружное кольцо с фланцем .
Цена по запросу
Цена на подшипник зависит от:
Габаритные размеры
Размеры и геометрические характеристики
Нагрузка и ресурс
Защита
Присоединительные размеры
Конструкция и исполнение
Другие размеры
Радиальный шарикоподшипник GYA014RR (TIMKEN)
Радиальный шарикоподшипник GYA014RRB (TIMKEN)
Радиальный шарикоподшипник YA014RRB (TIMKEN)