Главная > Подшипники> Шариковые> Радиальные>YA008RR

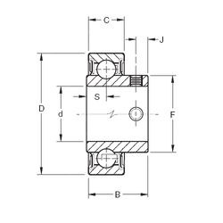
YA008RR — Подшипник для корпуса, импортное производство по ISO стандарту, размер 12x40x23 номер основного исполнения .
Производитель: TIMKEN.
R = Наружное кольцо с фланцем .
Цена по запросу
Цена на подшипник зависит от:
Габаритные размеры
Размеры и геометрические характеристики
Нагрузка и ресурс
Защита
Присоединительные размеры
Конструкция и исполнение
Другие размеры
Радиальный шарикоподшипник GYA008RRB (TIMKEN)
Радиальный шарикоподшипник GYA008RR (TIMKEN)
Радиальный шарикоподшипник YA008RRB (TIMKEN)