Главная > Подшипники> Роликовые > Упорные>XU 30 0515

XU 30 0515 — Скрещенный роликоподшипник, импортное производство по ISO стандарту номер основного исполнения .
Производитель: INA.
Цена по запросу
Цена на подшипник зависит от:
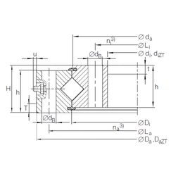
Габаритные размеры
Размеры и геометрические характеристики
Нагрузка и ресурс
Защита
Конструкция и исполнение
Другие размеры