Главная > Подшипники>XLRJ8

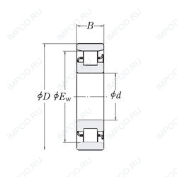
XLRJ8 — Цилиндрический роликоподшипник, импортное производство по ISO стандарту номер основного исполнения .
Производитель: RHP.
J = Сепаратор стальной штампованный незакалённый.
Цена по запросу
Цена на подшипник зависит от:
Габаритные размеры
Нагрузка и ресурс
Цилиндрический роликоподшипник RNJ4103 (NTN)
Цилиндрический роликоподшипник RXLS 8E (SIGMA)