Главная > Подшипники>XLRJ8.1/2

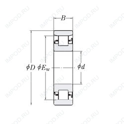
XLRJ8.1/2 — Цилиндрический роликоподшипник, импортное производство по ISO стандарту номер основного исполнения .
Производитель: RHP.
J = Сепаратор стальной штампованный незакалённый.
Цена по запросу
Цена на подшипник зависит от:
Габаритные размеры
Нагрузка и ресурс