Главная > Подшипники>XLRJ4.1/2

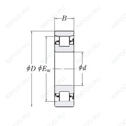
XLRJ4.1/2 — Однорядный цилиндрический роликовый подшипник, импортное производство по ISO стандарту, размер 114x158x22 номер основного исполнения .
Производитель: RHP.
J = Сепаратор стальной штампованный незакалённый.
Цена по запросу
Цена на подшипник зависит от:
Габаритные размеры
Размеры и геометрические характеристики
Нагрузка и ресурс
Защита
Конструкция и исполнение
Радиальный шарикоподшипник SC2308 (NTN)
Подшипник однорядный шариковый радиальный XLJ 4.1/2 (RHP, SIGMA)
Подшипник однорядный шариковый радиальный XLS72KD2 (TIMKEN)