Главная > Подшипники>XLRJ3.1/2

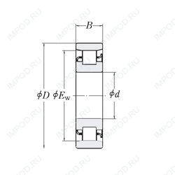
XLRJ3.1/2 — Однорядный цилиндрический роликовый подшипник, импортное производство по ISO стандарту номер основного исполнения .
Производитель: RHP.
J = Сепаратор стальной штампованный незакалённый.
Цена по запросу
Цена на подшипник зависит от:
Габаритные размеры
Нагрузка и ресурс