Главная > Подшипники>XLRJ2.3/4

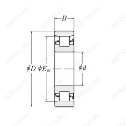
XLRJ2.3/4 — Однорядный цилиндрический роликовый подшипник, импортное производство по ISO стандарту номер основного исполнения .
Производитель: RHP.
J = Сепаратор стальной штампованный незакалённый.
Цена по запросу
Цена на подшипник зависит от:
Габаритные размеры
Нагрузка и ресурс