Главная > Подшипники>XLRJ2.1/4

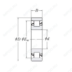
XLRJ2.1/4 — Однорядный цилиндрический роликовый подшипник, импортное производство по ISO стандарту номер основного исполнения .
Производитель: RHP.
J = Сепаратор стальной штампованный незакалённый.
Цена по запросу
Цена на подшипник зависит от:
Габаритные размеры
Нагрузка и ресурс
Однорядный цилиндрический роликовый подшипник RXLS 2.1/4 (SIGMA)
Радиальные сферические подшипники скольжения сталь на стали GEWZ57ES (AST, LS)
Радиальные сферические подшипники скольжения сталь на стали GEWZ57ES-2RS (AST, LS)