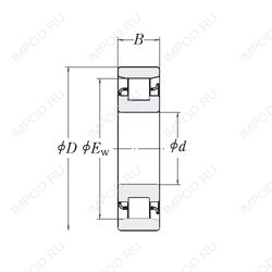
Главная > Подшипники>XLRJ12

XLRJ12 — Цилиндрический роликоподшипник, импортное производство по ISO стандарту основное исполнение.
Производитель: RHP.
J = Сепаратор стальной штампованный незакалённый.
Цена по запросу
Цена на подшипник зависит от:
Габаритные размеры
Нагрузка и ресурс