Главная > Подшипники>XLRJ11.1/2

XLRJ11.1/2 — Цилиндрический роликоподшипник, импортное производство по ISO стандарту номер основного исполнения XLRJ11.
Производитель: RHP.
J = Сепаратор стальной штампованный незакалённый.
Цена по запросу
Цена на подшипник зависит от:
| Обозначение | Модификация |
|---|---|
| XLRJ11 | Основное конструктивное исполнение. |
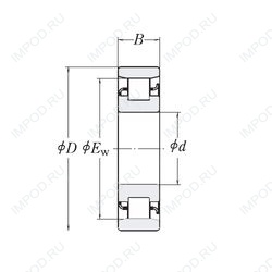
Габаритные размеры
Нагрузка и ресурс
Цилиндрический роликоподшипник RN5804 (NTN)
Цилиндрический роликоподшипник RN58042 (NTN)
Цилиндрический роликоподшипник RNU5804 (NTN)
Цилиндрический роликоподшипник RXLS 11 (SIGMA)