Главная > Подшипники> Роликовые > Упорные>XA 20 0352 H

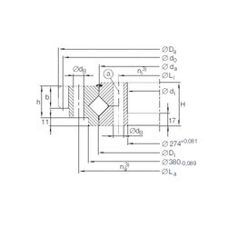
XA 20 0352 H — Скрещенный роликоподшипник, импортное производство по ISO стандарту номер основного исполнения .
Производитель: INA.
H = высокая, узкая каретка для двухрядного шарикоподшипника и направляющей в сборе.
Цена по запросу
Цена на подшипник зависит от:
Габаритные размеры
Размеры и геометрические характеристики
Нагрузка и ресурс
Защита
Конструкция и исполнение
Другие размеры