Главная > Подшипники>WOB75 ZZ

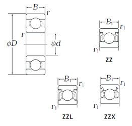
WOB75 ZZ — Радиальный шарикоподшипник, импортное производство по ISO стандарту, размер 3x7x3 номер основного исполнения .
Производитель: KOYO.
ZZ = Два металлических экрана.
Цена по запросу
Цена на подшипник зависит от:
Габаритные размеры
Размеры и геометрические характеристики
Нагрузка и ресурс
Защита
Конструкция и исполнение
Подшипник шариковый радиальный однорядный с одной защитной шайбой 3060083
Подшипник шариковый радиальный однорядный с двумя защитными шайбами 3080083
Подшипник шариковый радиальный однорядный с упорным бортом на наружном кольце и одной защитной шайбой 3860083
Подшипник шариковый радиальный однорядный с упорным бортом на наружном кольце и двумя защитными шайбами 3880083
Подшипник шариковый радиальный 3860083 ЮТ
Подшипник шариковый радиальный 4-3860083