Главная > Подшипники>WOB72 ZZX

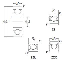
WOB72 ZZX — Радиальный шарикоподшипник, импортное производство по ISO стандарту, размер 2x7x3 номер основного исполнения .
Производитель: KOYO.
ZZ = Два металлических экрана. X = Внешние размеры, соответствующие международным стандартам.
Цена по запросу
Цена на подшипник зависит от:
Габаритные размеры
Размеры и геометрические характеристики
Нагрузка и ресурс
Защита
Конструкция и исполнение
Подшипник шариковый радиальный 25-3080012 ЮТС2
Подшипник шариковый радиальный однорядный с двумя защитными шайбами 308009/2.5
Подшипник шариковый радиальный однорядный с одной защитной шайбой 306009/2.5
Подшипник шариковый радиальный однорядный с упорным бортом на наружном кольце и двумя защитными шайбами 388009/2.5
Подшипник шариковый радиальный однорядный с упорным бортом на наружном кольце и одной защитной шайбой 386009/2.5
Подшипник однорядный шариковый радиальный 602 ZZ (CX, FBJ, ISB, ISO, NSK)