Главная > Подшипники> Шариковые> Радиальные>WOB71 ZZX

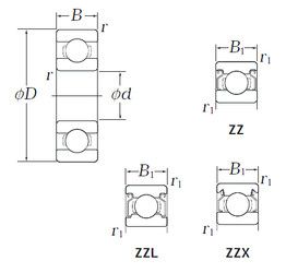
WOB71 ZZX — Радиальный шарикоподшипник, импортное производство по ISO стандарту, размер 2x4x2 номер основного исполнения .
Производитель: KOYO.
ZZ = Два металлических экрана. X = Внешние размеры, соответствующие международным стандартам.
Цена по запросу
Цена на подшипник зависит от:
Габаритные размеры
Размеры и геометрические характеристики
Нагрузка и ресурс
Защита
Конструкция и исполнение
Подшипник шариковый радиальный однорядный 6-1000092
Подшипник шариковый радиальный 617/2 ZZ (CX, ISO)
Радиальный шарикоподшипник D/W R133-2ZS (SKF)
Подшипник однорядный шариковый радиальный FR133ZZ (FBJ, ISB, ISO)
Радиальный шарикоподшипник FR133-2Z (ZEN)