Главная > Подшипники> Шариковые> Радиальные>WOB67 ZZX

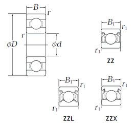
WOB67 ZZX — Радиальный шарикоподшипник, импортное производство по ISO стандарту, размер 1x4x2 номер основного исполнения .
Производитель: KOYO.
ZZ = Два металлических экрана. X = Внешние размеры, соответствующие международным стандартам.
Цена по запросу
Цена на подшипник зависит от:
Габаритные размеры
Размеры и геометрические характеристики
Нагрузка и ресурс
Защита
Конструкция и исполнение
Подшипник шариковый радиальный однорядный с одной защитной шайбой 3060091
Подшипник шариковый радиальный однорядный с одной защитной шайбой 306008/1.5
Подшипник шариковый радиальный однорядный с двумя защитными шайбами 308008/1.5
Подшипник шариковый радиальный однорядный с упорным бортом на наружном кольце и двумя защитными шайбами 388008/1.5
Подшипник шариковый радиальный однорядный с упорным бортом на наружном кольце и одной защитной шайбой 3860091
Подшипник шариковый радиальный однорядный с упорным бортом на наружном кольце и двумя защитными шайбами 3880091