Главная > Подшипники>WMLFN5009 ZZ

WMLFN5009 ZZ — Радиальный шарикоподшипник, импортное производство по ISO стандарту, размер 5x9x3 номер основного исполнения .
Производитель: KOYO.
ZZ = Два металлических экрана.
Цена по запросу
Цена на подшипник зависит от:
Габаритные размеры
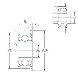
Размеры и геометрические характеристики
Нагрузка и ресурс
Защита
Коэффициенты для расчета
Присоединительные размеры
Конструкция и исполнение
Подшипник однорядный шариковый радиальный BC5-9ZZ (NTN)
Радиальный шарикоподшипник F-WB-9ZZ (NTN)
Радиальный шарикоподшипник F-FLWB-9ZZ (NTN)
Подшипник однорядный шариковый радиальный L-950ZZ (NIS, NMB)
Подшипник однорядный шариковый радиальный LF-950ZZ (NIS, NMB)
Радиальный шарикоподшипник SMF95-2Z (ZEN)