Главная > Подшипники> Шариковые> Радиальные>WMLFN4008 ZZ

WMLFN4008 ZZ — Радиальный шарикоподшипник, импортное производство по ISO стандарту, размер 4x8x3 номер основного исполнения .
Производитель: KOYO.
N4 - N + N2, стопорящие пазы расположены на стороне, противоположной кольцевой канавке.
Цена по запросу
Цена на подшипник зависит от:
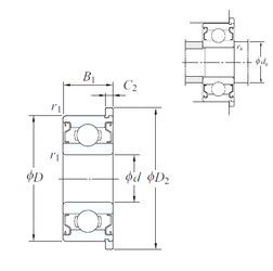
Габаритные размеры
Размеры и геометрические характеристики
Нагрузка и ресурс
Защита
Коэффициенты для расчета
Присоединительные размеры
Конструкция и исполнение
Подшипник шариковый радиальный однорядный с двумя защитными шайбами 22-80084ЮТС21
Подшипник шариковый радиальный 80084
Радиальный шарикоподшипник BC4-8ZZ (NTN)
Радиальный шарикоподшипник F-WB-8ZZ (NTN)
Радиальный шарикоподшипник F-FLWB-8ZZ (NTN)
Радиальный шарикоподшипник FLWB-8ZZ (NTN)