Главная > Подшипники> Шариковые> Радиальные>WMLF8014ZZ

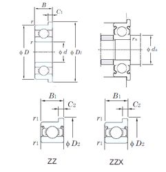
WMLF8014ZZ — Радиальный шарикоподшипник, импортное производство по ISO стандарту, размер 8x14x4 номер основного исполнения .
Производитель: KOYO.
ZZ = Два металлических экрана.
Цена по запросу
Цена на подшипник зависит от:
Габаритные размеры
Размеры и геометрические характеристики
Нагрузка и ресурс
Защита
Коэффициенты для расчета
Присоединительные размеры
Конструкция и исполнение
Подшипник однорядный шариковый радиальный BC8-14ZZ (NTN)
Радиальный шарикоподшипник F-FLWBC8-14ZZ (NTN)
Радиальный шарикоподшипник F-FLWBC8-14LL (NTN)
Радиальный шарикоподшипник F-WBC8-14LL (NTN)
Радиальный шарикоподшипник F-WBC8-14ZZ (NTN)
Радиальный шарикоподшипник FLWBC8-14ZZ (NTN)