Главная > Подшипники> Шариковые> Радиальные>WMLF8012ZZX

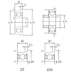
WMLF8012ZZX — Радиальный шарикоподшипник, импортное производство по ISO стандарту, размер 8x12x3 номер основного исполнения .
Производитель: KOYO.
ZZ = Два металлических экрана. X = Внешние размеры, соответствующие международным стандартам.
Цена по запросу
Цена на подшипник зависит от:
Габаритные размеры
Размеры и геометрические характеристики
Нагрузка и ресурс
Защита
Коэффициенты для расчета
Присоединительные размеры
Конструкция и исполнение
Подшипник шариковый радиальный 617/8 ZZ (CX, ISO)
Радиальный шарикоподшипник 678AZZ (NTN)
Радиальный шарикоподшипник F-FLAW678AZZ (NTN)
Радиальный шарикоподшипник F-W678AZZ (NTN)
Подшипник шариковый радиальный FL617/8 ZZ (CX, ISO)
Радиальный шарикоподшипник FLAW678AZZ (NTN)