Главная > Подшипники> Шариковые> Радиальные>WMLF7013ZZ

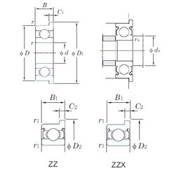
WMLF7013ZZ — Радиальный шарикоподшипник, импортное производство по ISO стандарту, размер 7x13x4 номер основного исполнения .
Производитель: KOYO.
ZZ = Два металлических экрана.
Цена по запросу
Цена на подшипник зависит от:
Габаритные размеры
Размеры и геометрические характеристики
Нагрузка и ресурс
Защита
Коэффициенты для расчета
Присоединительные размеры
Конструкция и исполнение
Радиальный шарикоподшипник BC7-13ZZ (NTN)
Радиальный шарикоподшипник F-FLAWBC7-13ZZ (NTN)
Радиальный шарикоподшипник F-WBC7-13ZZ (NTN)
Подшипник однорядный шариковый радиальный L-1370ZZ (NIS, NMB)
Подшипник однорядный шариковый радиальный LF-1370ZZ (NIS, NMB)
Радиальный шарикоподшипник SMF137-2Z (ZEN)