Главная > Подшипники> Шариковые> Радиальные>WMLF7011ZZX

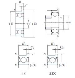
WMLF7011ZZX — Радиальный шарикоподшипник, импортное производство по ISO стандарту, размер 7x11x3 номер основного исполнения .
Производитель: KOYO.
ZZ = Два металлических экрана. X = Внешние размеры, соответствующие международным стандартам.
Цена по запросу
Цена на подшипник зависит от:
Габаритные размеры
Размеры и геометрические характеристики
Нагрузка и ресурс
Защита
Коэффициенты для расчета
Присоединительные размеры
Конструкция и исполнение
Подшипник шариковый радиальный 617/7 ZZ (CX, ISO)
Подшипник однорядный шариковый радиальный 677ZZ (NTN)
Подшипник однорядный шариковый радиальный F-677 (NTN)
Радиальный шарикоподшипник F-WA677ZZ (NTN)
Подшипник шариковый радиальный FL617/7 ZZ (CX, ISO)
Подшипник однорядный шариковый радиальный L-1170ZZ (NIS, NMB)