Главная > Подшипники> Шариковые> Радиальные>WMLF6010ZZX

WMLF6010ZZX — Радиальный шарикоподшипник, импортное производство по ISO стандарту, размер 6x10x3 номер основного исполнения .
Производитель: KOYO.
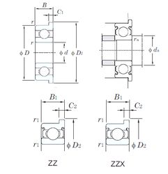
ZZ = Два металлических экрана. X = Внешние размеры, соответствующие международным стандартам.
Цена по запросу
Цена на подшипник зависит от:
Габаритные размеры
Размеры и геометрические характеристики
Нагрузка и ресурс
Защита
Коэффициенты для расчета
Присоединительные размеры
Конструкция и исполнение
Подшипник шариковый радиальный 3860006
Подшипник шариковый радиальный 4-3860006
Подшипник шариковый радиальный 4-3860006 ЮТ
Подшипник шариковый радиальный однорядный с упорным бортом на наружном кольце и двумя защитными шайбами 5-3880076 ЮС1
Подшипник шариковый радиально-упорный 4-3646006 ЮТ
Подшипник шариковый радиальный 617/6 ZZ (CX, ISO)