Главная > Подшипники> Шариковые> Радиальные>WMLF5010ZZ

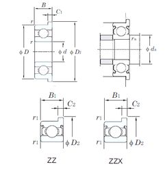
WMLF5010ZZ — Радиальный шарикоподшипник, импортное производство по ISO стандарту, размер 5x10x4 номер основного исполнения .
Производитель: KOYO.
ZZ = Два металлических экрана.
Цена по запросу
Цена на подшипник зависит от:
Габаритные размеры
Размеры и геометрические характеристики
Нагрузка и ресурс
Защита
Коэффициенты для расчета
Присоединительные размеры
Конструкция и исполнение
Радиальный шарикоподшипник BC5-10ZZ (NTN)
Радиальный шарикоподшипник L-1050SS (NMB)
Подшипник однорядный шариковый радиальный L-1050ZZ (NIS, NMB)
Подшипник однорядный шариковый радиальный LF-1050ZZ (NIS, NMB)
Радиальный шарикоподшипник SMF105-2RS (AST, ZEN)
Радиальный шарикоподшипник SMF105-2Z (ZEN)