Главная > Подшипники> Шариковые> Радиальные>WMLF5008ZZX

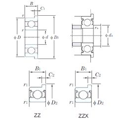
WMLF5008ZZX — Радиальный шарикоподшипник, импортное производство по ISO стандарту, размер 5x8x2 номер основного исполнения .
Производитель: KOYO.
ZZ = Два металлических экрана. X = Внешние размеры, соответствующие международным стандартам.
Цена по запросу
Цена на подшипник зависит от:
Габаритные размеры
Размеры и геометрические характеристики
Нагрузка и ресурс
Защита
Коэффициенты для расчета
Присоединительные размеры
Конструкция и исполнение
Подшипник шариковый радиальный однорядный 1000005
Подшипник шариковый радиальный однорядный с упорным бортом на наружном кольце 1840005
Подшипник шариковый радиальный 617/5 ZZ (CX, ISO)
Подшипник однорядный шариковый радиальный 617/5 (CX, ISO)
Подшипник шариковый радиальный 617/5-2RS (CX, ISO)
Радиальный шарикоподшипник 675 (NTN)