Главная > Подшипники> Шариковые> Радиальные>WMLF4010ZZ

WMLF4010ZZ — Радиальный шарикоподшипник, импортное производство по ISO стандарту, размер 4x10x4 номер основного исполнения .
Производитель: KOYO.
ZZ = Два металлических экрана.
Цена по запросу
Цена на подшипник зависит от:
Габаритные размеры
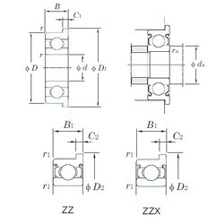
Размеры и геометрические характеристики
Нагрузка и ресурс
Защита
Коэффициенты для расчета
Присоединительные размеры
Конструкция и исполнение
Подшипник шариковый радиальный 80054
Радиальный шарикоподшипник AB40585 (SNR)
Радиальный шарикоподшипник BC4-10ZZ (NTN)
Радиальный шарикоподшипник F-FLAWB-10ZZ (NTN)
Радиальный шарикоподшипник F-WB-10ZZ (NTN)
Радиальный шарикоподшипник FL684AX50ZZ (NTN)