Главная > Подшипники> Шариковые> Радиальные>WMLF3006ZZ

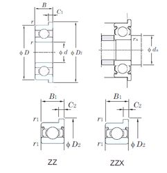
WMLF3006ZZ — Радиальный шарикоподшипник, импортное производство по ISO стандарту, размер 3x6x2 номер основного исполнения .
Производитель: KOYO.
ZZ = Два металлических экрана.
Цена по запросу
Цена на подшипник зависит от:
Габаритные размеры
Размеры и геометрические характеристики
Нагрузка и ресурс
Защита
Коэффициенты для расчета
Присоединительные размеры
Конструкция и исполнение
Подшипник шариковый радиальный однорядный 1000003
Подшипник шариковый радиальный однорядный с упорным бортом на наружном кольце 1840003
Подшипник шариковый радиальный 4-60053 Ю7Т
Подшипник шариковый радиальный 4-60053 Ю5Т
Подшипник шариковый радиальный 4-60053 Ю6Т
Подшипник шариковый радиальный 617/3-2RS (CX, ISO)