Главная > Подшипники> Шариковые> Радиальные>WMLF2006ZZ

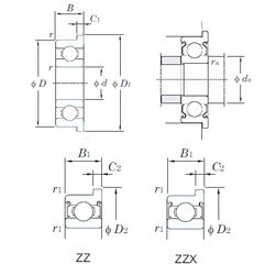
WMLF2006ZZ — Радиальный шарикоподшипник, импортное производство по ISO стандарту, размер 2x6x3 номер основного исполнения .
Производитель: KOYO.
ZZ = Два металлических экрана.
Цена по запросу
Цена на подшипник зависит от:
Габаритные размеры
Размеры и геометрические характеристики
Нагрузка и ресурс
Защита
Коэффициенты для расчета
Присоединительные размеры
Конструкция и исполнение
Подшипник шариковый радиальный 04-3080092 ЮУТС21
Подшипник шариковый радиальный однорядный с одной защитной шайбой 3060092
Подшипник шариковый радиальный однорядный с двумя защитными шайбами 3080092
Подшипник шариковый радиальный однорядный с упорным бортом на наружном кольце и одной защитной шайбой 3860092
Подшипник шариковый радиальный однорядный с упорным бортом на наружном кольце и двумя защитными шайбами 3880092
Подшипник шариковый радиальный 502-3080092 УС21