Главная > Подшипники> Шариковые> Радиальные>WMLF2005ZZ

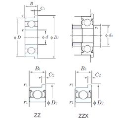
WMLF2005ZZ — Радиальный шарикоподшипник, импортное производство по ISO стандарту, размер 2x5x2 номер основного исполнения .
Производитель: KOYO.
ZZ = Два металлических экрана.
Цена по запросу
Цена на подшипник зависит от:
Габаритные размеры
Размеры и геометрические характеристики
Нагрузка и ресурс
Защита
Коэффициенты для расчета
Присоединительные размеры
Конструкция и исполнение
Подшипник шариковый радиальный однорядный с одной защитной шайбой 3060082
Подшипник шариковый радиальный однорядный с двумя защитными шайбами 3080082
Подшипник шариковый радиальный однорядный с упорным бортом на наружном кольце и одной защитной шайбой 3860082
Подшипник шариковый радиальный однорядный с упорным бортом на наружном кольце и двумя защитными шайбами 3880082
Подшипник шариковый радиальный 6-3860082 Ю
Подшипник шариковый радиальный 80082