Главная > Подшипники> Шариковые> Радиальные>WMLF1506ZZ

WMLF1506ZZ — Радиальный шарикоподшипник, импортное производство по ISO стандарту, размер 1x6x3 номер основного исполнения .
Производитель: KOYO.
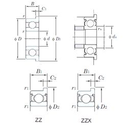
ZZ = Два металлических экрана.
Цена по запросу
Цена на подшипник зависит от:
Габаритные размеры
Размеры и геометрические характеристики
Нагрузка и ресурс
Защита
Коэффициенты для расчета
Присоединительные размеры
Конструкция и исполнение
Подшипник шариковый радиальный 601XZZ (FBJ, ISB, ISO)
Радиальный шарикоподшипник 601X-2Z (ZEN)
Радиальный шарикоподшипник F601X-2Z (ZEN)
Подшипник шариковый радиальный FL60/1.5 ZZ (CX, ISO)