Главная > Подшипники> Шариковые> Радиальные>WF69/2.5ZZX

WF69/2.5ZZX — Радиальный шарикоподшипник, импортное производство по ISO стандарту, размер 2x7x3 номер основного исполнения 69.
Производитель: KOYO.
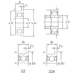
Радиальный шарикоподшипник из нержавеющей стали с упорным бортом на наружном кольце.
ZZ = Два металлических экрана. X = Внешние размеры, соответствующие международным стандартам.
Цена по запросу
Цена на подшипник зависит от:
| Обозначение | Модификация |
|---|---|
| B-69 | |
| JT-69 | |
| BAM 69 | |
| BA 69 Z | Металлический экран с одной стороны. |
| BCE69-P | P = Литой сепаратор из стеклонаполненного полиамида 6,6, центрируемый по телам качения. |
| W69/2.5ZZ | ZZ = Два металлических экрана. |
| W69/2.5SA | S = смазочный паз и три отверстия в наружном кольце подшипника. |
| WOB69 ZZX | ZZ = Два металлических экрана. X = Внешние размеры, соответствующие международным стандартам. |
| FL69/2.5SSA | S = смазочный паз и три отверстия в наружном кольце подшипника. |
| FLW69/2.5SA | S = смазочный паз и три отверстия в наружном кольце подшипника. |
Габаритные размеры
Размеры и геометрические характеристики
Нагрузка и ресурс
Защита
Коэффициенты для расчета
Присоединительные размеры
Конструкция и исполнение
Подшипник шариковый радиальный 25-3080012 ЮТС2
Подшипник шариковый радиальный однорядный с двумя защитными шайбами 308009/2.5
Подшипник шариковый радиальный однорядный с одной защитной шайбой 306009/2.5
Подшипник шариковый радиальный однорядный с упорным бортом на наружном кольце и двумя защитными шайбами 388009/2.5
Подшипник шариковый радиальный однорядный с упорным бортом на наружном кольце и одной защитной шайбой 386009/2.5
Подшипник однорядный шариковый радиальный 602 ZZ (CX, FBJ, ISB, ISO, NSK)