Главная > Подшипники> Шариковые> Радиальные>WF69/1.5ZZ

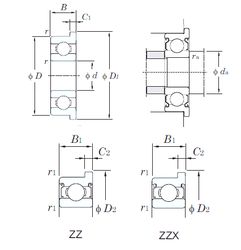
WF69/1.5ZZ — Радиальный шарикоподшипник, импортное производство по ISO стандарту, размер 1x5x2 номер основного исполнения .
Производитель: KOYO.
Радиальный шарикоподшипник из нержавеющей стали с упорным бортом на наружном кольце.
ZZ = Два металлических экрана.
Цена по запросу
Цена на подшипник зависит от:
Габаритные размеры
Размеры и геометрические характеристики
Нагрузка и ресурс
Защита
Коэффициенты для расчета
Присоединительные размеры
Конструкция и исполнение
Подшипник шариковый радиальный однорядный 100009/1.5
Подшипник шариковый радиальный однорядный с упорным бортом на наружном кольце 184009/1.5
Подшипник шариковый радиальный однорядный с одной защитной шайбой 306009/1.5
Подшипник шариковый радиальный однорядный с двумя защитными шайбами 308009/1.5
Подшипник шариковый радиальный однорядный с упорным бортом на наружном кольце и двумя защитными шайбами 388009/1.5
Подшипник шариковый радиальный однорядный с упорным бортом на наружном кольце и одной защитной шайбой 386009/1.5